2 Fragen zur Programmierung einer UVR1611 mit Tapps2 ...

There are 23 replies in this Thread which was already clicked 12,347 times. The last Post () by taenen.

  • Hallo


    Habe mich ein erstes Stück in die Programmierung meiner UVR eingearbeitet und auch schon, Dank der Unterstützung einiger Mitglieder von diesem Forum, mit TAPPS2 die Solaranlage hinbekommen.


    Doch nun "hänge" ich doch mal wieder und könnte ein wenig Anregung/Tipps/... benötigen.


    Situation 1 und gewünschter Ablauf:
    In meinem Kesselkreislauf (Stückholz ohne Brenneranforderung, die geschieht durch meine Frau, wenn es ihr zu kalt ist) habe ich einen 3-Wegekugelhahn MIT einem Stellmotor („Belimo SR230A-R“) um entweder in die Heizkreise zu heizen ODER in einen Hygienespeicher mit Warmwasser in der oberen Hälfte.
    Ideal wäre, wenn nach Start der Kesselpumpe:
    1. Wenn die Temperatur (S3) am Speicher OBEN für Brauchwasser UNTER z. B. 60°C ist, zu erst der Speicher geladen wird, bis 60° erreicht sind
    DANN
    2. Falls die Temperatur am Raumfühler (S11) unter der gewünschten Zieltemperatur z. B. 23°C liegt, auf die Heizkreise schaltet
    UND
    3. ist die gewünschte Raumtemperatur erreicht soll wieder der Speicher geschickt werden.


    Der Stellmotor wird mit 2 Phasen angesteuert.
    Y1 = Kessel -> Heizkreis DIREKT
    Y2 = Kessel -> Speicher


    FRAGE 1:
    Mit welcher Funktion und Ausgang/Ausgängen kann ich mit TAPPS2 den o. g. Ablauf realisieren?
    Bei einem "Vergleich" kann man ja nur ein- und ausschalten. Ich brauche eine Funktion um von einer Phase (Y1) auf die andere (Y2) umzuschalten.
    Man hat mir dazu die Ausgänge A4-Ö und A4-S empfohlen, - wie realisiere ich das aber in Tapps2?



    Situation 2:
    Habe mittlerweile 3 "Funktionsbereiche/-kategorien": Solaranlage, Kessel und Heizkreis mit jeweils eigenen Pumpen.
    Nun wäre es gut, wenn:
    die Kesselpumpe UND/ODER die Solarpumpe läuft, IMMER die Heizkreispumpe AUS-geschalten wird bzw. die Heizkreispumpe NUR läuf wenn Kesselpumpe UND/ODER die Solarpumpe NICHT laufen.



    FRAGE 2:
    Mit welcher Funktion bzw. wie krieg ich das in TAPPS2 programmiert?




    Dank und Grüße


    Martin

  • … den von dir angegebenen Belimo finde ich gar nicht im Verzeichner meines Vertrauenshändlers.
    Aber die Dinger funktionieren eh immer gleich mit mehr oder weniger Einstellkomfort/Verwirrung.
    Du hast die Wahl zwischen Auf/Zu oder Dreipunkt:


    Im ersteren Fall brauchst du einen (1) Schaltausgang an der UVR Aus/Ein.
    Den kannst du nach abarbeiten der Laufzeit jeweils inaktiv machen (=> stromlos)


    Oder der 3-Punkt macht jede Zwischenstellung möglich, braucht aber 2 Ausgänge
    und ist nach dem Schaltvorgang stromlos. Laufzeit in der UVR einstellen!



    Für die Hydraulik-Schema-Philosophie solltest du evtl. ein Schema erstellen und herzeigen.

    HVS25LC / 3100l Puffer / 300l WW / 10m²SolarFK
    UVR1611 / Fubo ca. 180m² / Wahei 16m²
    Eigenbau Keramikventuridüse mit SekLuft-Spalt
    als Kesselsteuerung anstatt AK3000:
    UVR1611E NM/DE + CMI + MTX-Lambdamodul + LSU4.2

  • Hallo Hammax


    Dankeschön für Deine Rückmeldung.
    Der Stellmotor wird "3-Punkt-gesteuert". Strom auf Y (+N) = 90° links (Heizkreis) und Strom auf Y2 (+N) = 90° rechts (Speicher). Die Umschaltzeit beträgt 90 Sekunden.
    Jemand sagte mir, dass dafür der Ausgang A4-Ö mit A4-S genau richtig sei, weil da der Strom hin und her schaltet.
    Dazu die Frage mit welchen Funktionen kann ich das in TAPPS2 realisieren?


    Wenn Du magst, könnte Dir das mal am Desktop per Teamviewer zeigen. Dazu mich aber bitte vorher unter 07724-9499000 anrufen. Bin heute noch den ganzen Tag bis ca. 19:00 Uhr und ab 20:30 Uhr erreichbar.



    Dank und Grüße


    Martin

  • Hallo Martin ,


    das kannst du mit jeder Digitalen Funktion machen ( Vergleich;Und;Oder;FF....) und das geht mit jedem Ausgang der einen Wechselkontakt hat.


    Sonnige Grüße Reiner

    Sonnige Grüße Reiner

    ETA BK 15 mit Saugzuggebläse und Lambdasonde geregelt mit UVR16x2

    3 X 800 l PS zwei mit Solarwendel und 14 m2 FK mit einem CTC 265 EM als

    Backup und LUVANO 10kW geregelt mit zwei UVR16x2, UVR610 mit CAN-I/O45

    CAN-MTx2 und CMI für eine DHH mit Anbau und 110m2 Heizfläche

  • Hallo Reiner


    Okay, aber wie kann ich den Ausgang A4-Ö und A4-S mit Funktionen belegen?
    Wenn ich einen Auswahl wählen kann dann 1-16 aber nicht A4-Ö oder A4-S.
    Bin Anfänger mit ersten Erfolgserlebnissen (Solarteil läuft), brächte da aber mal wenigstens ein Programmierungsbeispiel als tdw-Datei.



    Herzliche Grüße


    Martin

  • Den Ausgang 4 auf einen 3-punkt Stellantrieb zu legen macht nur Sinn wenn man diesen komplett AUF und später wieder komplett ZU fahren will.
    Eine "Zwischenstellung" ist damit nicht möglich.
    Wenn man einen 3-punkt Antrieb in beliebige Zwischenstellungen bringen will, dann muß ich eine Mischeregelung und ein "Ausgangspaar" nehmen (z.B. A-3/4 oder 8/9)

  • Hallo Hannes


    "Den Ausgang 4 auf einen 3-Punkt Stellantrieb zu legen macht nur Sinn wenn man diesen komplett AUF und später wieder komplett ZU fahren will."
    GENAU DAS brauche ich bzw. benötige ich Hilfe bzw. am besten mal von jemand eine Tapps2-Datei mit Beispiel oder Unterstützung per Teamviewer oder halt Infos, dass ich weiter komme.
    Der Stellmotor schaltet UM - von einer Leitung auf die andere - OHNE Zwischenstellung. Für die Umstellung vom 3-Wegekugelhahn (KEIN Mischer) benötigt der Stellmotor 90 Sekunden.



    Dank und herzliche Grüße


    Martin

  • Hallo Martin,


    bei einer Digitalen Funktion hast du ja nur zwei Zustände EIN oder AUS und beim Ausgang ist das bei AUS von L auf NC und bei EIN von L auf NO und das musst du halt mit was du haben willst logisch verknüpfen und wenn wenn mehrere Vergleiche das beeinflussen fasst du diese mit einer Logik UND/ODER zusammen.


    Sonnige Grüße Reiner

    Sonnige Grüße Reiner

    ETA BK 15 mit Saugzuggebläse und Lambdasonde geregelt mit UVR16x2

    3 X 800 l PS zwei mit Solarwendel und 14 m2 FK mit einem CTC 265 EM als

    Backup und LUVANO 10kW geregelt mit zwei UVR16x2, UVR610 mit CAN-I/O45

    CAN-MTx2 und CMI für eine DHH mit Anbau und 110m2 Heizfläche

  • Hallo Reiner


    Das habe ich grundsätzlich kapiert. Habe mir anfangs überlegt, das einfach mit 2 normalen Schaltausgängen zu regeln. Aber im Zuge meines Gesamtkonzepts/-schemas, werden die Ausgänge knapp. Daher wäre es sehr günstig, A4-Ö und A4-S dafür zu nützen.
    Dazu, eben meine Frage, wie sieht das präzise in Tapps2 aus bzw. wie kann ich dort den Ausgängen A4-S und A4-Ö als Ausgänge einer Funktion definieren/zuordnen?


    Wie gesagt, da wäre es sehr hilfreich, über ein Tapps2-Beispiel zu verfügen.
    Hast Du bzw. jemand nicht irgendwo eine ähnliche Situation?



    Herzliche Grüße


    Martin

  • … ich habe dir mal aus meiner Sammlung (Inkscape) einen beispielhaften Hydraulikplan kopiert.
    Der lässt sich sofort wunschgemäß ändern und beschriften.
    Sowas ähnliches kannst du auch in TAPPS2 in einem separaten Tab erstellen.
    Grün umrandet ist die vermutete Position deines Kugelhahns.
    Der WW-Boiler lässt sich auch sofort in eine Komponente deines Hygienespeichers ummodeln.
    Dito die Einbindung der Solaranlage.
    Jetzt müssten nur noch deine Sensorpositionen dazu.
    Sowas gehört eben zum "UVR-Hobby".


    HVS25LC / 3100l Puffer / 300l WW / 10m²SolarFK
    UVR1611 / Fubo ca. 180m² / Wahei 16m²
    Eigenbau Keramikventuridüse mit SekLuft-Spalt
    als Kesselsteuerung anstatt AK3000:
    UVR1611E NM/DE + CMI + MTX-Lambdamodul + LSU4.2

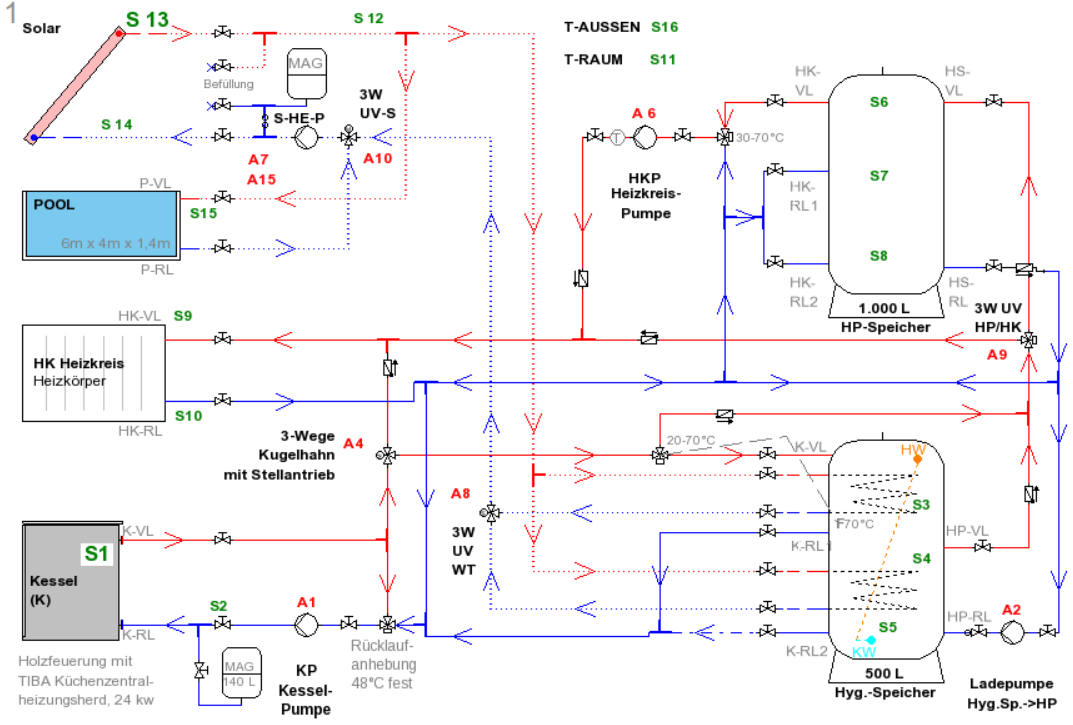
  • Hallo


    Nachfolgend mal mein Schema:


    [Blocked Image: http://www.naturkraft-schwarzwald.de/schema.png]



    Den Bereich Solaranlage (A7, A15, A10, A8) und Ladepumpe (A2, A9) habe ich mit Unterstützung erfolgreich hinbekommen und die Sache läuft einwandfrei. :)
    Nun kommt der Bereich Kessel. Auch diesen Teil der Programmierung mit Tapps2 bekomme ich hin.


    JETZT geh es einzig und allein um den 3-Wege-Kugelhahn (KEIN Mischer) und wie ich mit Tapps2 die Ausgänge A4-S und A4-Ö als Ausgänge definiere.
    Die Sache mit der Logigschaltung habe ich ja grundsätzlich kapiert.


    Hier mal noch der Anschluss vom Stellmotor:
    [Blocked Image: http://naturkraft-schwarzwald.de/belimo-stellantrieb.PNG]



    Dank und Grüße


    Martin

  • Hallo Hammax


    Das hat sich gerade überschnitten, aber Du hast es genau erfasst.
    Habe das Schema mit Tapps2 gezeichnet, siehe oben und schon teilweise programmiert (Anlage läuft) - es geht "nur" um die Details bei der Programmierung der Ausgänge.



    Herzliche Grüße


    Martin

  • Hallo Martin,


    der Ausgang 4 Ö (Öffner) hat Strom wenn A4 Aus ist
    der Ausgang 4 S (Schliesser) hat Strom wenn A4 An ist


    Du kannst A4 z.B mit einem Vergleich ganz normal ansteuern, wie jeden anderen Ausgang auch.


    Einzeln kann da nix angesteuert werden, das ist nur EIN Ausgang.


    Die meisten Ventile haben Endschalter, dann kann da nichts passieren, ein Draht hat halt immer Strom.
    Das wird meistens so gemacht.



    Viele Grüße von
    Martin

  • Hallo Martin


    Vielen Dank für die Tipps. Habe die Sche mit A4 kapiert! Mit "Ein/Aus" wird quasi zwischen A4-Ö und A4-S hin- und hergeschaltet - genau das brauche ich. :)


    Du warst so nett und hast ein Beispiel für einen Vergleich für Solar gezeigt. Der hilft mir aber beim nächsten Schritt nicht wirklich weiter. ;)
    Bei Deinem Beispiel stehen beide Sensoreingänge/Temperaturen (Kollektor und Speicher) in direkter(!) Beziehung - bei mir nicht.


    Bei mir wird zwischen Speicherladung und Heizkreis (vom Kessel) hin- und hergeschaltet.
    Variante 1 (einfache Priorität):
    Hier soll immer ERST der Heizkreis beschickt werden bis die Raumtemperatur z. B. 24°C (bei mir an Fühler S11) erreicht hat - DANN umschalten auf Speicherladung. Zurückschalten auf Heizkreis, wenn die Raumtemperatur z. B. -2 K ist (in diesem Beispiel bei 22°).


    Den "Invers-Ausgang" (Wa<Wb) habe ich noch nicht ganz kapiert.
    Wird da die gesamte Funktion "umgedreht" oder nur statt EIN nur AUS geschaltet?


    Ginge das ...
    ... wenn ich bei der Vergleichsfunktion den Raumfühler (S11) -> an "Wa" vom Vergleich als Eingang anschließe und die Parameter wie folgt eingebe
    Funktionsgruppe: "Temperatur"
    Wert b: 22°C (für meine gewünschte Raumtemperatur)
    Dif. EIN: 0 K
    Dif. AUS: -40 K
    und dann A4 auf der rechten Seite am "Inversausgang" bzw. Wa<Wb anschließe ... oder verrenne ich mich da gerade und muss noch eine Logikfunktion hinzunehmen und wenn ja wie?


    Variante 2 :
    Wirklich genial wäre jedoch, wenn für A4 so eine Schalt-Reihenfolge programmierbar wäre:

    • Brauchwasservorrang: ERST Speicherladung bis an S3 (siehe Schema oben) z. B. 60°C erreicht sind = A4 EIN
    • Wenn die gewünschte Raumtemperatur (S11) von z. B. 24°C tiefer ist, z. B. um -3,0 K, DANN auf Heizkreis schalten = A4 AUS
    • Wenn die gewünschte Raumtemperatur (S11) von z. B. 24°C erreicht ist, dann wieder auf Speicherladung = A4 EIN
    • Wenn an S7 eine definierte Temperatur erreicht ist, z. B. 60°C, dann wieder umschalten auf Heizkreis (unabhängig von der Raumtemperatur) = A4 AUS

    Freue mich über jede Anregung, Tipp, Beispiel, ...



    Dank und Grüße


    Martin

  • Hallo


    1. Zu "Invers": Okay. D. h., Invers bedeutet einfach nur, wenn oben aus ist, ist bei invers ein und umgekehrt. Kapiert. :)
    2. Als Raumfühler verwende ich einen PT1000, keinen RAS.


    Es geht jetzt "nur" um eine Art "Wenn-Dann" bzw. um das Setzen von Prioritäten und dem automatischen Ablauf. (Hoffe ich drücke mich nicht zu unverständlich aus.)


    Die einzelnen "Funktionen"/Punkte (siehe meine letzte Antwort -> "Variante 2") habe ich in Tapps2 mit Vergleichen realisiert, nur wie verknüpfe ich die zu einer "Funktionsreihenfolge"?



    Herzlichen Dank und Grüße


    Martin

  • Hallo Martin,


    verknüpfen kannst du das mit Logikfunktionen UND ODER FlipFlop.
    Beim UND müssen alle Bedienungen erfüllt sein um den Ausgang zu schalten.
    Beim ODER muss eine oder mehrere Bedingungen erfüllt sein um den Ausgang zu schalten.
    Beim FF (FlippFlop) gibt es einen Setzeingang der nur einmal erfüllt sein muss um den Ausgang ein zu schalten um mit einem Rücksetzeingang wird der Ausgang zurückgesetzt aber solang der Rücksetzeingang eine Logisch 1 führt kann der Ausgang nicht eingeschaltet werden.


    Sonnige Grüße Reiner

    Sonnige Grüße Reiner

    ETA BK 15 mit Saugzuggebläse und Lambdasonde geregelt mit UVR16x2

    3 X 800 l PS zwei mit Solarwendel und 14 m2 FK mit einem CTC 265 EM als

    Backup und LUVANO 10kW geregelt mit zwei UVR16x2, UVR610 mit CAN-I/O45

    CAN-MTx2 und CMI für eine DHH mit Anbau und 110m2 Heizfläche

    Edited once, last by reinelektronik ().

Participate now!

Don’t have an account yet? Register yourself now and be a part of our community!